關于超同步
解決方案
服務與支持
新聞資訊
資料下載
ctb@ctb.com.cn
北京市密雲區經濟開發區雲西六街9号
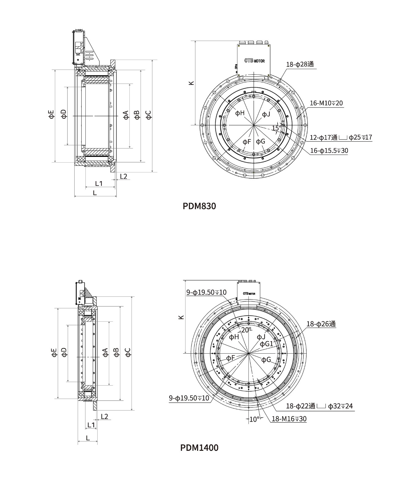
【概要描述】PDM系列内裝式力矩電機由定子、空心軸永磁轉子組成,采用液體冷卻方式,定子固定于機器本體,轉子與機器旋轉機構聯結,加裝編碼器等反饋元件與驅動器匹配調試後,形成與機器融爲一體的直接驅動單元。轉子采用内嵌式設計,有效防止振動。
詳細介紹
規格參數
上一篇 MBS系列中大功率多傳伺服驅動器
下一篇 ECM系列模組蓄能器
歡迎您來到我們的留言頁面,請填寫下面的表格,收到您的需求我們會盡快聯系您!
在線咨詢
電話
公衆号