當前位置:  首頁  >  産品中心  >  伺服電機 > Z18H高速伺服主軸電機
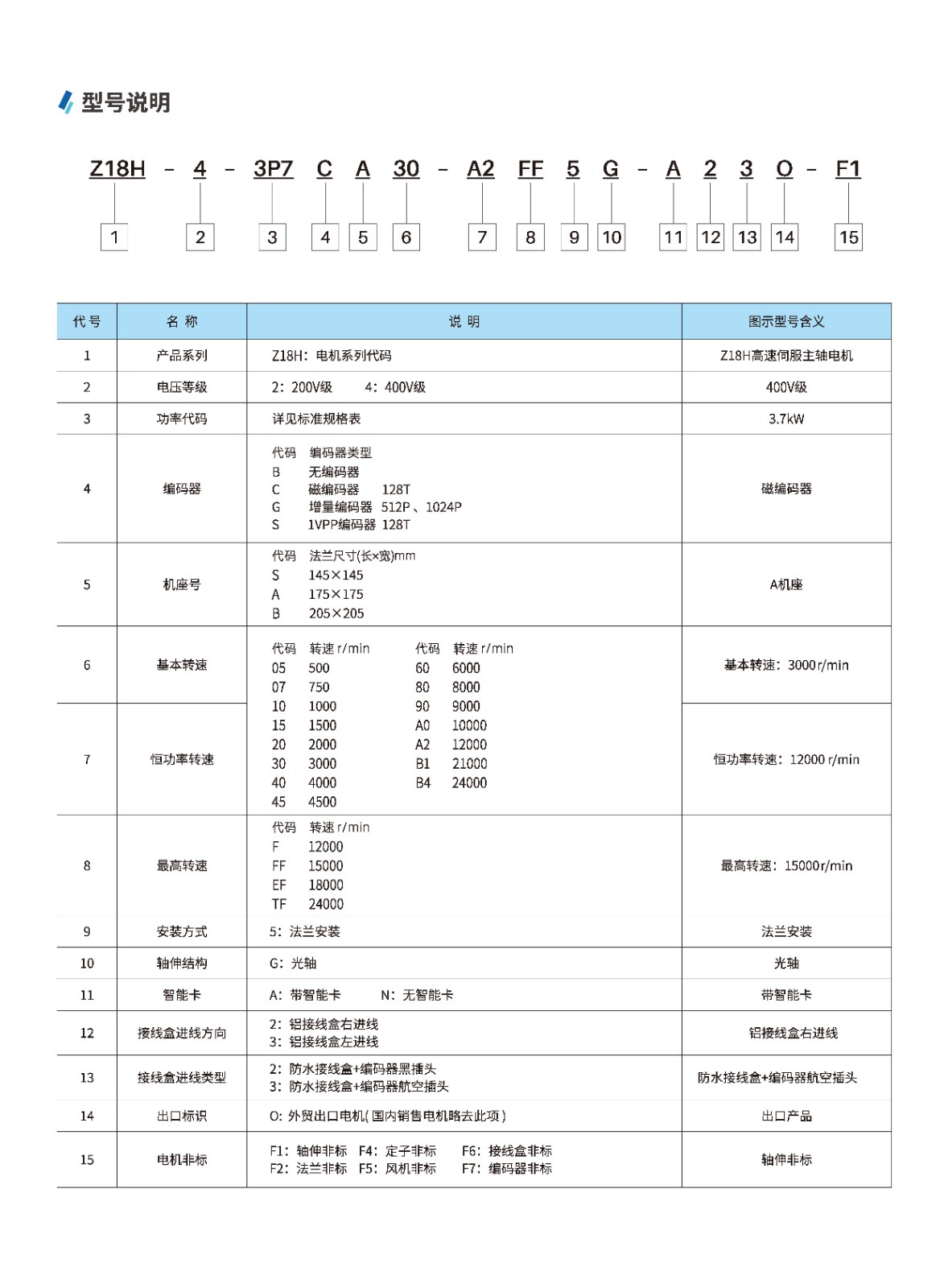
Z18H高速伺服主軸電機

【概要描述】Z18H高速伺服主軸電機,具有全疊片磁轭、體積小、高輸出扭矩;低轉動慣量、快速響應;運行速度範圍廣0~24000rpm;零速時也可輸出額定扭力;可靠度高、穩定性高、過載能力高;低振動、低噪聲的産品特點。

  • 功率範圍
    2.2-15kW
  • 扭矩範圍
    7-52N.m
  • 最高轉速
    24000rpm/min
  • 安裝方式
    法蘭

詳細介紹


規格參數

上一篇 D18交流伺服驅動器

下一篇

您需要我們提供哪些幫助?

歡迎您來到我們的留言頁面,請填寫下面的表格,收到您的需求我們會盡快聯系您!